





電磁振動給料機是一個較為完整的雙質點定向強迫振動的彈性系統,整個系統在低臨界共振狀態下工作,給料槽中的物料在給料過程中連續地被拋起,并按拋物線的軌跡向前進行跳躍運動,達到連續、均勻、定量給料的目的。本系列電磁振動給料機采用可控硅半波整流控制方式,流量調節方便,可實現集中控制和自動控制。
1.體積小,重量輕,結構簡單,安裝方便,無轉動、滑動零部件,不需進行潤滑。
2.價格優惠,故障少,維護運行費用低,投資經濟。
3.采用機械振動學的共振原理,使其工作在低臨界近共振狀態,能耗小。
4.工作時物料按拋物線軌跡連續跳躍向前運動,料槽磨損較小。
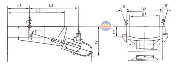
| GZ系列電磁振動給料機 | |||||||
| 型號 | 料槽尺寸 (長×寬×高) (mm) | 最大給料粒度 (mm) | 水平給料量 (t/h) | 給料量 | 功率 | 外形尺寸 (長×寬×高) (mm) | 重量 |
| (t/h) | (kW) | (kg) | |||||
| GZ1 | 600×200×100 | 50 | 5 | 7 | 0.06 | 910×376×485 | 80 |
| GZ2 | 800×300×120 | 10 | 14 | 0.15 | 1175×608×600 | 165.5 | |
| GZ3 | 900×400×150 | 75 | 25 | 35 | 0.2 | 1325×578×675 | 223 |
| GZ4 | 1100×500×200 | 100 | 50 | 70 | 0.45 | 1616×762×814 | 462 |
| GZ5 | 1200×700×250 | 150 | 100 | 140 | 0.65 | 1815×840×980 | 656 |
| GZ6 | 1600×900×250 | 200 | 150 | 210 | 1.5 | 2410×10925×1500 | 1252 |
| GZ7 | 1800×1100×250 | 250 | 250 | 350 | 3 | 2800×1330×1710 | 2017 |
| GZ8 | 2200×1300×300 | 300 | 400 | 560 | 4 | 3302×1556×1995 | 3153 |
| GZ9 | 2400×1500×300 | 350 | 600 | 840 | 5.5 | 3515×1776×2200 | 3750 |
| GZ10 | 2500×1800×375 | 500 | 750 | 1050 | 4×2 | 3630×2500×2235 | 6491 |
| GZ11 | 2800×2000×375 | 500 | 1000 | 1400 | 5.5×2 | 4060×2640×2919 | 7680 |
| GZ12 | 3000×2200×400 | 1200 | 1500 | 15 | 5260×2860×2563 | 8840 | |
| GZ13 | 3200×2500×450 | 500 | 1300 | 1600 | 6394×3040×2864 | 9920 | |
| GZ14 | 3500×2500×450 | 550 | 1500 | 1700 | 18.5 | 7475×3802×3000 | 110 |

馬來西亞1000t/d鐵礦
如果您正在尋找相關產品,或者有其他問題,可隨時撥打金鵬礦業機械服務熱線,或點擊下方按鈕與我們在線交流!